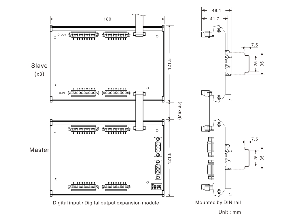
16*DI & 16*DO Board
| specifications |
DI & DO Expansion Board (Iron shell-NPN) |
DI & DO Expansion Board (plastic shell-NPN) |
DI & DO Expansion Board (plastic shell-PNP) |
| Input Power | 24VDC | 24VDC | 24VDC |
| DI/DO Connection | NPN | NPN | PNP |
| DI/DO Quantity | 16DI & 16DO | 16DI & 16DO | 16DI & 16DO |
| The max output current | 2A | 2A | 2A |
| the max Extend module | 12 modules(MAX=192) | 12 modules(MAX=192) | 12 modules(MAX=192) |



